技术资料

当前位置:首页 - 技术资料

固态继电器的原理及结构

发布时间:2021-08-23 14:06:39    浏览次数:2330

固态继电器(SOLIDSTATE RELAYS),简写成“SSR”,是一种全部由固态电子元件组成的新型无触点开关器件,它利用电子元件(如开关三极管、双向可控硅等半导体器件)的开关特性,可达到无触点无火花地接通和断开电路的目的,因此又被称为“无触点开关”,它问世于70年代,由于它的无触点工作特性,使其在许多领域的电控及计算机控制方面得到日益广范的应用。

一、固态继电器的原理及结构

SSR按使用场合可以分成交流型和直流型两大类,它们分别在交流或直流电源上做负载的开关,不能混用。

下面以交流型的SSR为例来说明它的工作原理,图1是它的工作原理框图,图1中的部件①-④构成交流SSR的主体,从整体上看,SSR只有两个输入端(A和B)及两个输出端(C和D),是一种四端器件。



图1

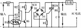
工作时只要在A、B上加上一定的控制信号,就可以控制C、D两端之间的“通”和“断”,实现“开关”的功能,其中耦合电路的功能是为A、B端输入的控制信号提供一个输入/输出端之间的通道,但又在电气上断开SSR中输入端和输出端之间的(电)联系, 以防止输出端对输入端的影响,耦合电路用的元件是“光耦合器”,它动作灵敏、响应速度高、输入/输出端间的绝缘(耐压)等级高;由于输入端的负载是发光二极管,这使SSR的输入端很容易做到与输入信号电平相匹配,在使用可直接与计算机输出接口相接,即受“1”与“0”的逻辑电平控制。触发电路的功能是产生合乎要求的触发信号,驱动开关电路④工作,但由于开关电路在不加特殊控制电路时,将产生射频干扰并以高次谐波或尖峰等污染电网,为此特设“过零控制电路”。所谓“过零”是指,当加入控制信号,交流电压过零时,SSR即为通态;而当断开控制信号后,SSR要等待交流电的正半周与负半周的交界点(零电位)时,SSR才为断态。这种设计能防止高次谐波的干扰和对电网的污染。吸收电路是为防止从电源中传来的尖峰、浪涌(电压)对开关器件双向可控硅管的冲击和干扰(甚至误动作)而设计的,一般是用“R-C”串联吸收电路或非线性电阻(压敏电阻器)。图2是一种典型的交流型SSR的电原理图。


图2

直流型的SSR与交流型的SSR相比,无过零控制电路,也不必设置吸收电路,开关器件一般用大功率开关三极管,其它工作原理相同。不过,直流型SSR在使用时应注意:①负载为感性负载时,如直流电磁阀或电磁铁,应在负载两端并联一只二极管,极性如图3所示,二极管的电流应等于工作电流,电压应大于工作电压的4倍。②SSR工作时应尽量把它靠近负载,其输出引线应满足负荷电流的需要。③使用电源属经交流降压整流所得的,其滤波电解电容应足够大。


图3

图4 给出了几种国内、外常见的SSR的外形。


图4

上一篇:固态继电器的特点
下一篇:固态继电器分类和几个关键参数
Copyright © 2015 浙江欣向电气有限公司 All Right Reserved. 浙ICP备15027860号-1
电话:0577-62717102     传真:0577-62717103   地址:浙江省温州市乐清市柳市镇浃底村    邮箱:ssr@ssr.top    网站维护:传信网络

客户服务热线

0577-62717102

在线客服